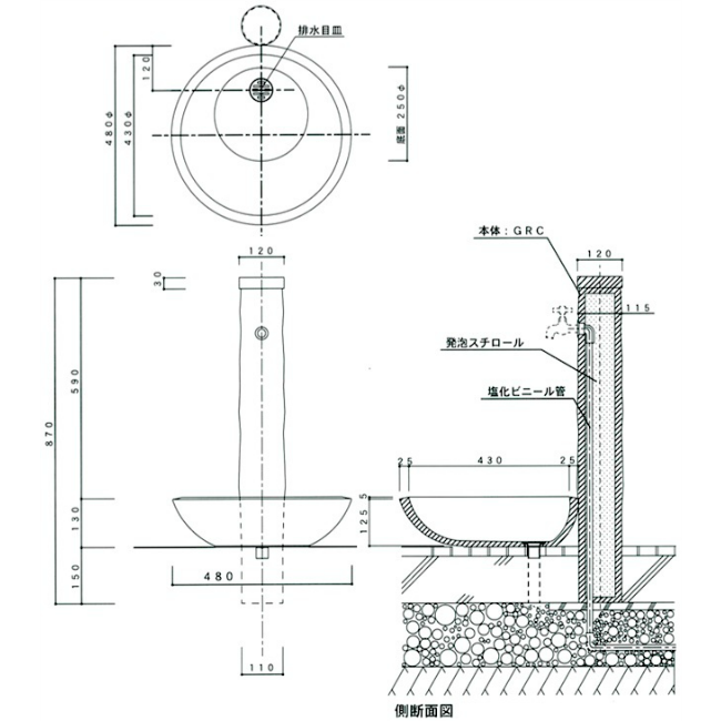
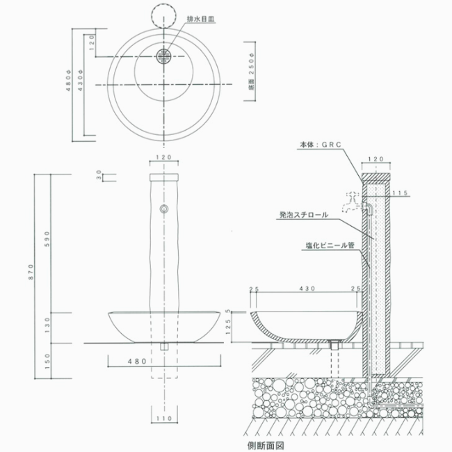
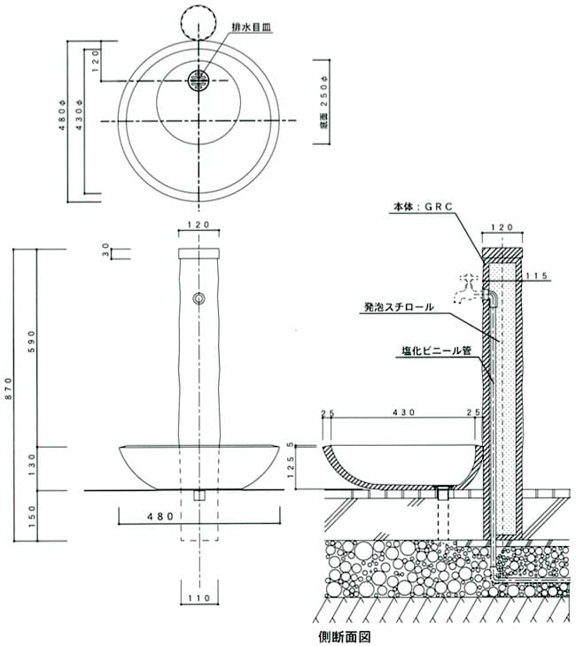
立水栓
本体 詳細
| 材質 | GRC(ガラス繊維強化セメント)アクリルウレタン樹脂塗装 |
| サイズ | φ110×H720(全高870)mm |
| 重量 | 10kg |
| 発注区分 | 注文品(通常出荷日数:4日) |
| 備考 | 寒冷地不可 |
パン 詳細
| 材質 | GRC(ガラス繊維強化セメント)アクリルウレタン樹脂塗装 |
| サイズ | [丸]φ480*H130mm [リビエラ]W450*D400*H150mm |
| 重量 | 8kg |
| 発注区分 | 注文品(通常出荷日数:4日) |
| 備考 | 付属:排水用目皿 ※樹脂製の排水口あり |
お庭の素敵な手洗い場、立水栓
SAGAN【サガン】
やわらかい色合い、アイボリーの立水栓。
砂岩模様が上品な、丸型タイプの水栓柱です。
砂の堆積岩のような質感を樹脂塗装で表現しています。丸みのあるガーデンパンとのコーディネートがおすすめ。
白い塗り壁の外壁や、芝生などのお庭のグリーンに映えるナチュラルな仕上がりです。
本体と、専用のガーデンパン+標準蛇口のセット。
※別のガーデンパン・蛇口にも変更できます。ご相談ください。
※別途指定水道工事業者による設置工事が必要です。
本体+ガーデンパン トレビ丸
本体+ガーデンパン トレビリビエラ
セット内容
本体+ガーデンパン+蛇口のセット。蛇口は横水栓十字ハンドルが標準です。
ガーデンパンは、間口の広いガーデンパン トレビ丸(左)とやや深めのガーデンパン トレビリビエラ(右)の2タイプからお選びください。
ガーデンパン トレビ丸
サイズ:φ480*H130mm
重量:8kg
ガーデンパン トレビリビエラ
サイズ:W450*D400*H150mm
重量:8kg
横水栓十字ハンドル(標準)
給水口内径:φ13
サイズ:D80*H84mm
固定コマ
蛇口オプション
ホースアダプターとジョイントニップルをセットにできます。
























