立水栓
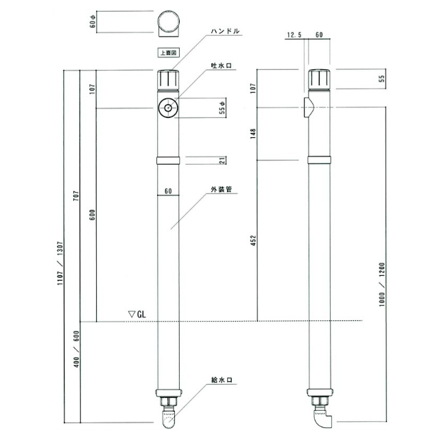
本体 詳細
| 材質 | 外装管:耐食アルミ柱/ウレタン塗装 揚水管:中シャフト/ステンレス |
| サイズ | φ60×H1107 mm |
| 重量 | 4kg |
| カラー | ホワイト/ブラウン/グリーン/レッド/ブラック/ステンレス |
| 発注区分 | 注文品(通常出荷日数:4日) |
| 備考 | 寒冷地仕様 |
パン 詳細
| 材質 | ステンレス |
| サイズ | φ300×H80(全高150)mm |
| 重量 | 0.9kg |
| 発注区分 | 注文品(通常出荷日数:4日) |
| 備考 | 付属:止水栓(ゴム製) |
お庭の素敵な手洗い場、立水栓
不凍水栓ユニット TACT【タクト】
寒冷地でも使えるスリムな立水栓。
本体上部が360度自在回転する視野の広さが自慢の立水栓。あらゆる向きで蛇口を使うことができます。
また、寒冷地向けの不凍水栓なので、冬場の北日本でも安心。
設置場所の雰囲気や好みに合わせて選べる、豊富なカラーバリエーションです。
本体と、専用のガーデンパン+標準蛇口のセット。
※別のガーデンパン・蛇口にも変更できます。ご相談ください。
※別途指定水道工事業者による設置工事が必要です。
水栓タクトの特長
1.本体上部が360度自在回転
吐水口が360度自由に回転します。
お庭や、広い場所での使用のほか、狭小住宅でのご使用でも、取り回しが便利です。
2.凍結対策
便製品内部が凍結してしまった場合でも、ハンドルを外して製品内部にぬるま湯を注ぐことで、解氷することができます。
3.吸気機構装備
水抜き時のみ作動する吸気機構を標準装備しました。操作ミスによる凍結事故を防止します。
4.高い信頼性と耐久性
便機能は、信頼性の高い正弁タイプです。
金属とゴムを一体成形したため、まぐれで切れてしまうこともありません。
便水道水と接する部分には、耐腐食性に優れた砲金およびスレンレス鋼(SUS304)を使用しています。
5.優れたメンテナンス性
水内部一式を抜き上げることができるため修理が容易です。
セット内容
本体+ガーデンパン+蛇口のセット。
カラーはホワイト、ブラウン、グリーン、レッド、ブラック、ステンレスの6色からお選びいただけます。
蛇口は、一口タイプの
モーヴが標準です。
+4,320円(税込)
で二口横水栓MIXに変更できます。




























